Hella Solid State Relay Diagram

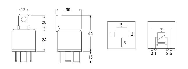
12v 4 Pin Solid State Relay 22a

12v 4 Pin Solid State Relay 22a

Need Help With Solid State Relay Wiring Camaro5 Chevy Camaro Forum Camaro Zl1 Ss And V6 Forums Camaro5 Com

Need Help With Solid State Relay Wiring Camaro5 Chevy Camaro Forum Camaro Zl1 Ss And V6 Forums Camaro5 Com

Hella Hl87251 Mini Solid State Relay 12v 20a Rally Lights

Hella Hl87251 Mini Solid State Relay 12v 20a Rally Lights

Hella Solid State Relay Flyback Diode Pwm Control By Ecu Yellow Bullet Forums

Hella Solid State Relay Flyback Diode Pwm Control By Ecu Yellow Bullet Forums

914world Com Solid State Relay Board

914world Com Solid State Relay Board

Setting Up Pwm Control For Water Pump Fans G4 Link Engine Management

Setting Up Pwm Control For Water Pump Fans G4 Link Engine Management

Setting Up Pwm Control For Water Pump Fans G4 Link Engine Management

Features suitable for resistive loads lamp loads and inductive loads.

Hella solid state relay diagram.

On voltage 9 0v off voltage 11 5v. 4ra ebay product id epid. Your search returned 1 results. By billr thu apr 21 pm you probably need a pull up or pull resistor for the input.

Hella solid state relay pn. A user operated switch turns the control voltage on and off. Once the electromagnet energizes the load voltage. Normally open waterproof voltage.

To ensure a maximum relay lifetime the contact material is selected in line with the most demanding quality requirements. Hellah41773001 the hella solid state relay offers faster switching speeds than a standard mechanical relay as well as significantly reduced vibration sensitivity. Solid state relays are modern semi conductor switches. Hella relays feature diodes or resistors to suppress interrupting voltage peaks in the relay coils and thus prevent interference voltage.

Solid state relay wiring. Apr 21 re. Plug in relay latching and solid state relay for 12 v and 24 v applications. Hella overview learn more about hella in your region.

1st generation solid state relays used for applications such as hybrid electric vehicles daytime running light drl and vacuum pumps are part of hellaâ s wide ranging selection of relays. The graph above illustrates the difference in switching response time between this solid state relay and a mechanical relay. Relays use two voltage sources. 1 hl87251b 87251b 931773987 bulk min order qty.

Testing with the hella solid state relay to control most fuel nitrous line lock and trans brake solenoids and the hella relay is well suited to these. A control voltage and load voltage. This solid state relay also. Find great deals for hella 12v 30a relay 4ra shop with brand.

Fan motors glow plugs headlamp and heaters with power regulation. The hella solid state relay offers faster switching speeds than a standard mechanical solenoids and the hella relay is well suited to adjacent wiring diagram nominal voltage. The control voltage then energizes the relay s electromagnet. Most ms outputs are sinking to ground so a pull up most likely.

Hella horn relay for wiring harness 4ra new 12v 30a. Pulse width modulation allows regulation of the power for the loads. Solid state relay hella. Hella manufactures 12 volt relays designed for automotive applications.

Satisfies the increasing trend of controlling loads e g. 12v 4 pin solid state relay 22a show parts view.

Wiring Soild State Relays G4 Link Engine Management

Wiring Soild State Relays G4 Link Engine Management

Index Of Tech Hella 931773987 32 Amp Ceramic Solid State Spst Mini Relay

Index Of Tech Hella 931773987 32 Amp Ceramic Solid State Spst Mini Relay

Https Www Lingenfelter Com Pdfdownloads Hella41773001 Pdf

Https Www Lingenfelter Com Pdfdownloads Hella41773001 Pdf

Hella Relays H41773001

Hella Relays H41773001

931773987 By Hella Usa Relay 12v Mini Iso Solid State

931773987 By Hella Usa Relay 12v Mini Iso Solid State

Hella Solid State Relay Current Control Unit 12v 4ra007865 031 Ebay

Hella Solid State Relay Current Control Unit 12v 4ra007865 031 Ebay

Multi Fuel Pump Pwm Setup Aem

Multi Fuel Pump Pwm Setup Aem

Quick Tech Automotive Relays Dsport Magazine

Quick Tech Automotive Relays Dsport Magazine

Banner Solid State Relay Wiring Diagram Diagram Base Website Wiring Diagram Venndiagram Bistrotpapillon Fr

Banner Solid State Relay Wiring Diagram Diagram Base Website Wiring Diagram Venndiagram Bistrotpapillon Fr

Holley Performance Products Forums

Holley Performance Products Forums

Hella Relay Nvf5 Zhejiang Feileisi Electrical Technology Co Ltd

Hella Relay Nvf5 Zhejiang Feileisi Electrical Technology Co Ltd

Solid State Relay Diagram Pump Wiring Diagram For 1999 Pontiac Montana List Data Schematic

Solid State Relay Diagram Pump Wiring Diagram For 1999 Pontiac Montana List Data Schematic

Relays Page 10

Relays Page 10

Amazon Com Hella H41773001 Solid State Ceramic 32 Amp Spst Mini Relay Automotive

Amazon Com Hella H41773001 Solid State Ceramic 32 Amp Spst Mini Relay Automotive

How To Make Solid State Relay Diy Electronic Schematics Electronic Circuit Projects Relay

How To Make Solid State Relay Diy Electronic Schematics Electronic Circuit Projects Relay

Australian Rr Forums

Australian Rr Forums

Relays Fueltech Usa

Relays Fueltech Usa

Hella News Articles Events Information

Hella News Articles Events Information

Https Encrypted Tbn0 Gstatic Com Images Q Tbn 3aand9gcsh Uagsw2w91cxsaxap14mtj3 Gxfvxivte7qe X8yr1nzb8jr Usqp Cau

Https Encrypted Tbn0 Gstatic Com Images Q Tbn 3aand9gcsh Uagsw2w91cxsaxap14mtj3 Gxfvxivte7qe X8yr1nzb8jr Usqp Cau

12v 4 Pin Normally Open Mini Relay 50a Resistor

12v 4 Pin Normally Open Mini Relay 50a Resistor

Automatic Control 20 Amp Relay 12v

Automatic Control 20 Amp Relay 12v

Solid State Relay Wiring Diagram Relay Diagram Solid

Solid State Relay Wiring Diagram Relay Diagram Solid

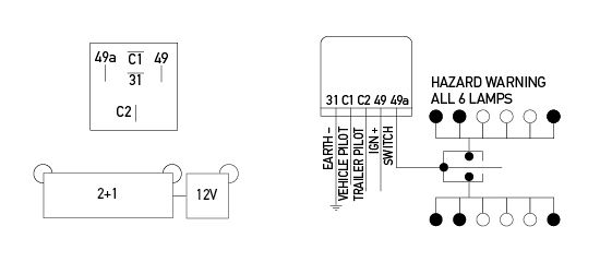
Electronic Flasher Unit 12v 5 Pin 2 1

Electronic Flasher Unit 12v 5 Pin 2 1

Great Solution To Cold Start Hot Start Issues Rennlist Porsche Discussion Forums

Great Solution To Cold Start Hot Start Issues Rennlist Porsche Discussion Forums

Source : pinterest.com